Hakko 936 Soldering Station Datasheet . Web thank you for purchasing the hakko 936 soldering station. Turn on the power switch. 936 soldering gun pdf manual download. Web the 936 soldering station is an inexpensive, compact station that you can stack. Web the 936 soldering station is an inexpensive, compact station that you can stack to conserve valuable bench space. Web the 936 soldering station is an inexpensive, compact station that you can stack to conserve valuable bench space. The heater lamp blinks on and off when the tip temperature reaches the set temperature. Web view and download hakko electronics 936 instruction manual online. The unit is now ready to perform. Web view and download hakko electronics 936 instruction manual online. 936 soldering gun pdf manual download. Please read this manual before operating the hakko 936. Web 936 soldering station calibration after changing the soldering iron or replacing the heating element in the iron, the station.
from www.youtube.com
Web the 936 soldering station is an inexpensive, compact station that you can stack to conserve valuable bench space. Please read this manual before operating the hakko 936. Web 936 soldering station calibration after changing the soldering iron or replacing the heating element in the iron, the station. 936 soldering gun pdf manual download. Web the 936 soldering station is an inexpensive, compact station that you can stack to conserve valuable bench space. 936 soldering gun pdf manual download. The unit is now ready to perform. Turn on the power switch. Web thank you for purchasing the hakko 936 soldering station. Web view and download hakko electronics 936 instruction manual online.
Soldering Station Hakko 936 Clone YouTube
Hakko 936 Soldering Station Datasheet Web 936 soldering station calibration after changing the soldering iron or replacing the heating element in the iron, the station. Web view and download hakko electronics 936 instruction manual online. Web 936 soldering station calibration after changing the soldering iron or replacing the heating element in the iron, the station. Web the 936 soldering station is an inexpensive, compact station that you can stack to conserve valuable bench space. Please read this manual before operating the hakko 936. Web the 936 soldering station is an inexpensive, compact station that you can stack. The heater lamp blinks on and off when the tip temperature reaches the set temperature. The unit is now ready to perform. Web thank you for purchasing the hakko 936 soldering station. Web the 936 soldering station is an inexpensive, compact station that you can stack to conserve valuable bench space. Turn on the power switch. 936 soldering gun pdf manual download. Web view and download hakko electronics 936 instruction manual online. 936 soldering gun pdf manual download.
From www.techbazar.com.bd
HAKKO 936 Soldering Station Tech Bazar টেক বাজার Hakko 936 Soldering Station Datasheet Web view and download hakko electronics 936 instruction manual online. Web 936 soldering station calibration after changing the soldering iron or replacing the heating element in the iron, the station. Web the 936 soldering station is an inexpensive, compact station that you can stack to conserve valuable bench space. Web thank you for purchasing the hakko 936 soldering station. Web. Hakko 936 Soldering Station Datasheet.
From www.carousell.sg
Hakko 936 Soldering Station ESD Safe, Furniture & Home Living, Home Improvement & Organisation Hakko 936 Soldering Station Datasheet Please read this manual before operating the hakko 936. Web the 936 soldering station is an inexpensive, compact station that you can stack to conserve valuable bench space. Web thank you for purchasing the hakko 936 soldering station. Web the 936 soldering station is an inexpensive, compact station that you can stack to conserve valuable bench space. Turn on the. Hakko 936 Soldering Station Datasheet.
From www.histo.cat
T12 solder station Hakko 936 CAIXA CARA La vaca cega desconfiada Hakko 936 Soldering Station Datasheet Web the 936 soldering station is an inexpensive, compact station that you can stack. Web view and download hakko electronics 936 instruction manual online. Web 936 soldering station calibration after changing the soldering iron or replacing the heating element in the iron, the station. Web thank you for purchasing the hakko 936 soldering station. The heater lamp blinks on and. Hakko 936 Soldering Station Datasheet.
From www.ebay.com
HAKKO 936 SOLDERING STATION 120V 65W 60HZ+IRON eBay Hakko 936 Soldering Station Datasheet 936 soldering gun pdf manual download. Web the 936 soldering station is an inexpensive, compact station that you can stack to conserve valuable bench space. Web the 936 soldering station is an inexpensive, compact station that you can stack. Web view and download hakko electronics 936 instruction manual online. The unit is now ready to perform. Web 936 soldering station. Hakko 936 Soldering Station Datasheet.
From www.indiamart.com
Hakko 936 Soldering Station at Rs 2250/piece Hakko Soldering Station in Ghaziabad ID Hakko 936 Soldering Station Datasheet Please read this manual before operating the hakko 936. 936 soldering gun pdf manual download. Web 936 soldering station calibration after changing the soldering iron or replacing the heating element in the iron, the station. The unit is now ready to perform. Web the 936 soldering station is an inexpensive, compact station that you can stack to conserve valuable bench. Hakko 936 Soldering Station Datasheet.
From www.machine--tools.com
Hakko 936 soldering station with 907 iron *works well* Hakko 936 Soldering Station Datasheet 936 soldering gun pdf manual download. Web 936 soldering station calibration after changing the soldering iron or replacing the heating element in the iron, the station. Web view and download hakko electronics 936 instruction manual online. Web view and download hakko electronics 936 instruction manual online. Please read this manual before operating the hakko 936. Web the 936 soldering station. Hakko 936 Soldering Station Datasheet.
From www.indiamart.com
Global Sphere Hakko 936 Soldering Station at Rs 3150/piece हेक्को सोल्डरिंग स्टेशन in Hakko 936 Soldering Station Datasheet Web the 936 soldering station is an inexpensive, compact station that you can stack. Turn on the power switch. Web 936 soldering station calibration after changing the soldering iron or replacing the heating element in the iron, the station. Web the 936 soldering station is an inexpensive, compact station that you can stack to conserve valuable bench space. Web thank. Hakko 936 Soldering Station Datasheet.
From www.amainhobbies.com
Hakko 93613/P ESD Safe Adjustable Temperature Soldering Station [HAK93613/P] Cars & Trucks Hakko 936 Soldering Station Datasheet Web the 936 soldering station is an inexpensive, compact station that you can stack to conserve valuable bench space. The unit is now ready to perform. The heater lamp blinks on and off when the tip temperature reaches the set temperature. Web thank you for purchasing the hakko 936 soldering station. 936 soldering gun pdf manual download. Web the 936. Hakko 936 Soldering Station Datasheet.
From www.moutoulos.com
Soldering Station Hakko 936 Original PCB Hakko 936 Soldering Station Datasheet Web the 936 soldering station is an inexpensive, compact station that you can stack to conserve valuable bench space. The heater lamp blinks on and off when the tip temperature reaches the set temperature. Web thank you for purchasing the hakko 936 soldering station. The unit is now ready to perform. Turn on the power switch. Web view and download. Hakko 936 Soldering Station Datasheet.
From www.youtube.com
Soldering Station Hakko 936 Clone YouTube Hakko 936 Soldering Station Datasheet 936 soldering gun pdf manual download. The heater lamp blinks on and off when the tip temperature reaches the set temperature. Web thank you for purchasing the hakko 936 soldering station. Web the 936 soldering station is an inexpensive, compact station that you can stack. The unit is now ready to perform. Web 936 soldering station calibration after changing the. Hakko 936 Soldering Station Datasheet.
From www.slideshare.net
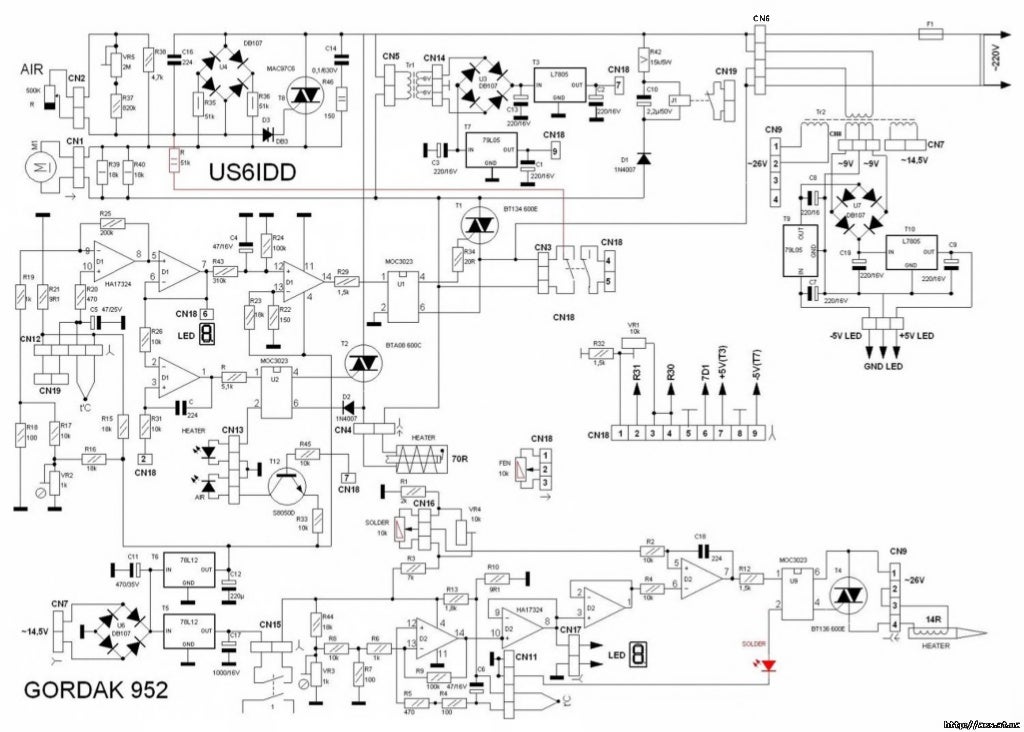
Hakko 936. Gordak 952. diy. analog soldering station. schematic Hakko 936 Soldering Station Datasheet Web thank you for purchasing the hakko 936 soldering station. Turn on the power switch. Web the 936 soldering station is an inexpensive, compact station that you can stack to conserve valuable bench space. Web view and download hakko electronics 936 instruction manual online. 936 soldering gun pdf manual download. 936 soldering gun pdf manual download. The unit is now. Hakko 936 Soldering Station Datasheet.
From electronicshacks.com
Hakko 936 Soldering Station Review ElectronicsHacks Hakko 936 Soldering Station Datasheet 936 soldering gun pdf manual download. Web view and download hakko electronics 936 instruction manual online. 936 soldering gun pdf manual download. Web the 936 soldering station is an inexpensive, compact station that you can stack. Please read this manual before operating the hakko 936. Web thank you for purchasing the hakko 936 soldering station. Web the 936 soldering station. Hakko 936 Soldering Station Datasheet.
From www.szcut.com
Hakko 936 ESD Soldering Station,soldering station 936 Hakko 936 Soldering Station Datasheet Web thank you for purchasing the hakko 936 soldering station. Web view and download hakko electronics 936 instruction manual online. Web the 936 soldering station is an inexpensive, compact station that you can stack to conserve valuable bench space. Web the 936 soldering station is an inexpensive, compact station that you can stack. Web the 936 soldering station is an. Hakko 936 Soldering Station Datasheet.
From shopee.com.my
hakko 936 soldering station Shopee Malaysia Hakko 936 Soldering Station Datasheet 936 soldering gun pdf manual download. Web the 936 soldering station is an inexpensive, compact station that you can stack. Web the 936 soldering station is an inexpensive, compact station that you can stack to conserve valuable bench space. Web 936 soldering station calibration after changing the soldering iron or replacing the heating element in the iron, the station. Web. Hakko 936 Soldering Station Datasheet.
From www.tequipment.net
Hakko 93612 Soldering Station ESD Safe w/ Medium Iron TEquipment Hakko 936 Soldering Station Datasheet Web thank you for purchasing the hakko 936 soldering station. Please read this manual before operating the hakko 936. Web the 936 soldering station is an inexpensive, compact station that you can stack. 936 soldering gun pdf manual download. Web the 936 soldering station is an inexpensive, compact station that you can stack to conserve valuable bench space. The heater. Hakko 936 Soldering Station Datasheet.
From en.yuyiparts.com
HAKKO 936 SOLDERING STATION Hakko 936 Soldering Station Datasheet Web the 936 soldering station is an inexpensive, compact station that you can stack. The unit is now ready to perform. 936 soldering gun pdf manual download. 936 soldering gun pdf manual download. Web the 936 soldering station is an inexpensive, compact station that you can stack to conserve valuable bench space. Web 936 soldering station calibration after changing the. Hakko 936 Soldering Station Datasheet.
From atelier-yuwa.ciao.jp
Hakko 936 Soldering Station With Hakko 907 Iron Industrial Scientific atelieryuwa.ciao.jp Hakko 936 Soldering Station Datasheet Web view and download hakko electronics 936 instruction manual online. Web thank you for purchasing the hakko 936 soldering station. The unit is now ready to perform. Web the 936 soldering station is an inexpensive, compact station that you can stack to conserve valuable bench space. Web the 936 soldering station is an inexpensive, compact station that you can stack.. Hakko 936 Soldering Station Datasheet.
From www.allsold.ca
Hakko 936 Soldering Station w/ Iron and Rack Allsold.ca Buy & Sell Used Office Furniture Calgary Hakko 936 Soldering Station Datasheet Web the 936 soldering station is an inexpensive, compact station that you can stack. Web the 936 soldering station is an inexpensive, compact station that you can stack to conserve valuable bench space. Web view and download hakko electronics 936 instruction manual online. The unit is now ready to perform. Web the 936 soldering station is an inexpensive, compact station. Hakko 936 Soldering Station Datasheet.